Дата: 2015-02-10 Своих не бросаем…

Проектом руководит Малыгин Дмитрий. Студия - Accent-Audio.
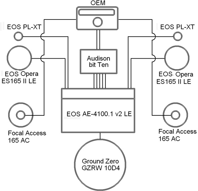
- Аудиосистема
- Состоит из саба, тыла и
двухполосного фронта
- Источником выступает ОЕМ (обычная
штатная магнитола)
- Оборудован процессором
Audison bit Ten
- Акустика фронта: EOS PL-XT, EOS Opera ES165 II LE
- Усилитель автомобильный:
EOS AE-4100.1 v2 LE
- Акустика тылов: автоакустика
Focal Access
165 AC
- Саб: Ground Zero GZRW 10D4
Не выбираются времена. Да, Мерседес GLK. Однако при его покупке,
было по 30-40, а при наступлении времени устанавливать музыку, сколько там
сейчас? Точнее – на сколько?
Устанавливать музыку нужно, и студия оценила верность собственника GLK нашему
увлечению. И пообещали: «Не беспокойтесь, выручим». Так появилась бюджетная
система в дорогом авто.
Мне повезло с данным автомобилем: вечером приехал к Дмитрию взглянуть на
новейший «антикризисный» проект и оказался на обсуждении системы с заказчиком.
Далее нужно было лишь время от времени приезжать, не забывая доставать
фотокамеру. А когда не успевал к необходимой стадии, мастера шли на выручку.

Интерьер GLK,
любимый миллионами людей и принадлежащих тем, кому больше везет, почти не
претерпел изменений. За исключением одной небольшой детальки. Отыщите ее.
Первая стадия в проектах подобного рода – устраняются последствия
представлений германского автопроизводителя о том, что нужно покупателю из
продукции, если он сможет включить радио. Они думают, это.
Это пищалка, если кто не знает. Основная
(или единственная) способность данного электроакустического прибора заключается
в увеличении на единицу количества динамиков в описании комплектации. Это очень
любят автопроизводители.
Послужной список студии наполнен несколькими работами в машинах такого типа,
и базовая концепция серьезно не изменилась: фронт – в поканалке 2 плоски,
саб-стелс в багажном отделе, 5-канальный усилитель и процессор. Заказчик
пожелал добавление тыла – несложного, на коаксиальных головках, подключаемых к
встраиваемому усилителю головки. Не ортодоксальная системная структура, зато
все почти незаметно и компактно. Сохраняется стандартное головное устройство,
поступление сигналов с высокоуровневых выходов происходит на процессор Audison
bit Ten. Тут был обнаружен 1-ый резерв экономии: панель, управляющая процессором.
Обходиться можно без нее, используя для управления сабом дистанционный
уровневый регулятор из усилительного комплекта.
Не стоит экономить на процессоре. Тут Bit Ten выступает в роли
процессора-интегратора, сначала снимает высокоуровневые сигналы с выходов
магнитолы, благодаря чему можно не лезть в стандартную проводку, потом
нейтрализовывает предкоррекцию АЧХ стандартного ГУ, которая заточена под
стандартные хайэндные динамики, и только потом принимается за прямое
процессорное дело: разделение сигналов по частотным полосам, корректировка
тонального баланса, контроль за временными задержками.
Основным источником бюджетной экономии выступала акустика автомобильная. А
ведь в числе недорогих моделей зачастую встречаются такие, которые при
грамотном использовании не будут хуже дорогих. Хорошо помоги знакомый по кличке
«сын шибок трудных». Он дал подсказку о том, как установить на фронт комплект EOS-динамиков. Еще помните
такие? Это хорошо.
К примеру, в пищалках EOS PL-XT применяется кольцевой
диффузор, выполненный по образцу Scanspeak и изготавливаемый на этом же
специализированном заводе (это рассказал разработчик во время частной беседы).
Динамики мидбасов EOS Opera ES165 II LE, оборудованные прекрасным диффузором,
сделанным из непрессованной целлюлозы. Аналогичный диффузор имеет сабвуферный
динамик Ground Zero GZRW 10D4. Кроме того, сам сабвуфер имеет схожую
конструкцию. В данном совпадении мне лично не кажется, что проявляется какая-то
непознанная гармония. Тем более я знал, что саб способен играть в весьма
компактном оформлении и быть отменно музыкальным, основательное тестирование
динамик проходил в редакционной лаборатории.

Внутреннюю также одели. В обоих случаях – с использованием листов StP с
моднейшим принтом в данном сезоне.




В конструкцию передней стенки входило также опорное кольцо, которое было
усилено до двойной толщины.
Поверхность, которая примыкает к облицовке задней кузовной стойки, за задним
фонарем, сделана «мозаичной» техников из маленьких фанерных кусочков. Наружные
криволинейные поверхности выполнены из лайкры на полиэфирной смоле, затем из
внутренней стороны выложена также «мозаика». Кроме того, сделано усиление
криволинейных поверхностей и стыков при помощи стекломатов.



Смотрим со стороны салона с процессором, которое установили на место
(также кверху ногами) и развели проводку. Акустические кабели - Klotz 425BL,
сигнальные - Klotz Solo 250.
SQ
Тестируемый материал – обыкновенный, АМТ и несколько «злобных» треков,
взятых из коллекции Дмитрия. На них проводили проверку басового потенциала и
отсутствия призвуков в процессе функционирования системы.
Скажем вот что. Звуковым качествам могут завидовать множество 3-полосных
систем. Баланс тонов – почти идеален. В особенности обрадовало функционирование
акустики автомобильной в нижнем регистре – что мидбас, что саб функционируют с
особой аккуратностью, никаких призвуков «затягивания» и гудения. Причем не
только для рока.
Сцена звучания, хотя посадка водителя достаточно высока, вышла с достаточной
аккуратностью и ровностью. Нареканий не вызвали глубина и ширина, неидеальный
центральный образ – однако на фоне общего впечатления такая мелочь осталась
практически незаметной почти до завершения прослушивания.
RTA
Организация баса достаточно энергическая, с повышением на 40 Гц, что совсем
не вызвало напряжения, на данной частоте бас-буст делают не просто так.
Безупречной получилась интеграция суббасовой части АЧХ с частью мидбаса. На
середине присутствуют некоторая шероховатость, как же без нее, однако не
следует забывать: это измерительные результаты в «свежей», законченной только что
установке. Через некоторое время функционирования компонентов подстройка также
выполняется не просто так. На ВЧ сделали маленькое повышение на 8-10 кГц,
однако то, что больше по частоте, играется отлично.

Информация взята: http://auto-magnitola.ru Отзывы покупателей про статью "Штатная магнитола, автоакустика Focal и EOS ставим в Mercedes GLK 220 CDI"
Благодарим Вас за желание добавить отзыв на автомагнитолу, акустику, сабвуфер, усилитель!
Ваш отзыв будет рассмотрен и добавлен в страничку с соответствующим ему товаром в течение 1-2 рабочих дней. Негативные отзывы рассматриваются также как и положительные. Главное чтобы была написана правда! Будут удалены отзывы с 10-ю грамматическими ошибками и содержащие ненормативную лексику.
Ваш отзыв на статью.
|